Web Analytics Made Easy - Statcounter

2015 Ford Mustang Wiring Diagram – Restore Power Fast! 2015 ford mustang wiring diagram

If you are searching about 1968 Ford Mustang Wiring Diagram » Wiring Draw And Schematic you've came to the right place. We have 25 Images about 1968 Ford Mustang Wiring Diagram » Wiring Draw And Schematic like 2015 Ford Mustang Wiring Diagram Manual – DIY Repair Manuals, 2015 Ford Mustang Wiring Diagram - Fab Base and also Ford Mustang 2015 2.3 Litre Engine Wiring Diagrams – ManualPost. Read more:

1968 Ford Mustang Wiring Diagram » Wiring Draw And Schematic

1968 Ford Mustang Wiring Diagram » Wiring Draw And Schematic www.wiringdraw.com

1968 Ford Mustang Wiring Diagram » Wiring Draw And Schematic

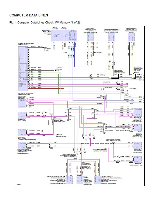
POWER DISTRIBUTION – Ford Mustang 2005 – SYSTEM WIRING DIAGRAMS

POWER DISTRIBUTION – Ford Mustang 2005 – SYSTEM WIRING DIAGRAMS portal-diagnostov.com

POWER DISTRIBUTION – Ford Mustang 2005 – SYSTEM WIRING DIAGRAMS ...

2015 Ford Mustang Wiring Diagram - Green Lab

2015 Ford Mustang Wiring Diagram - Green Lab green-lab32.blogspot.com

2015 Ford Mustang Wiring Diagram - Green Lab

2015 Ford Mustang Wiring Diagram - Fab Base

2015 Ford Mustang Wiring Diagram - Fab Base fab-base.blogspot.com

2015 Ford Mustang Wiring Diagram - Fab Base

Find OEM Ford 2010 Mustang Wiring Diagram Manual In Whiteford, Maryland

Find OEM Ford 2010 Mustang Wiring Diagram Manual in Whiteford, Maryland www.2040-parts.com

Find OEM Ford 2010 Mustang Wiring Diagram Manual in Whiteford, Maryland ...

2015 Ford Mustang Wiring Diagram - Green Lab

2015 Ford Mustang Wiring Diagram - Green Lab green-lab32.blogspot.com

2015 Ford Mustang Wiring Diagram - Green Lab

Ford Mustang 2015 2.3 Litre Engine Wiring Diagrams – ManualPost

Ford Mustang 2015 2.3 Litre Engine Wiring Diagrams – ManualPost manualpost.com

Ford Mustang 2015 2.3 Litre Engine Wiring Diagrams – ManualPost ...

2015 Ford Mustang Wiring Diagram - Green Lab

2015 Ford Mustang Wiring Diagram - Green Lab green-lab32.blogspot.com

2015 Ford Mustang Wiring Diagram - Green Lab

Ford Mustang 2015 5.0 Litre Engine Wiring Diagrams – ManualPost

Ford Mustang 2015 5.0 Litre Engine Wiring Diagrams – ManualPost manualpost.com

Ford Mustang 2015 5.0 Litre Engine Wiring Diagrams – ManualPost ...

2015 Ford Mustang Fuse Box Diagram - StartMyCar

2015 Ford Mustang fuse box diagram - StartMyCar www.startmycar.com

2015 Ford Mustang fuse box diagram - StartMyCar

2015 Ford Mustang Wiring Diagram - Fab Base

2015 Ford Mustang Wiring Diagram - Fab Base fab-base.blogspot.com

2015 Ford Mustang Wiring Diagram - Fab Base

2015 Ford Mustang Wiring Diagram Manual – DIY Repair Manuals

2015 Ford Mustang Wiring Diagram Manual – DIY Repair Manuals diyrepairmanuals.com

2015 Ford Mustang Wiring Diagram Manual – DIY Repair Manuals

2015 Ford Mustang Wiring Diagram - Fab Base

2015 Ford Mustang Wiring Diagram - Fab Base fab-base.blogspot.com

2015 Ford Mustang Wiring Diagram - Fab Base

Buy 2015 FORD MUSTANG WIRING DIAGRAM SHOP MANUAL / ORIGINAL SERVICE

Buy 2015 FORD MUSTANG WIRING DIAGRAM SHOP MANUAL / ORIGINAL SERVICE www.2040-parts.com

Buy 2015 FORD MUSTANG WIRING DIAGRAM SHOP MANUAL / ORIGINAL SERVICE ...

2015 Ford Mustang Electrical Wiring Diagrams Manual Original - Factory

2015 Ford Mustang Electrical Wiring Diagrams Manual Original - Factory www.factoryrepairmanuals.com

2015 Ford Mustang Electrical Wiring Diagrams Manual Original - Factory ...

[DIAGRAM] 2005 Ford Mustang Wiring Diagram Windows - MYDIAGRAM.ONLINE

[DIAGRAM] 2005 Ford Mustang Wiring Diagram Windows - MYDIAGRAM.ONLINE mydiagram.online

[DIAGRAM] 2005 Ford Mustang Wiring Diagram Windows - MYDIAGRAM.ONLINE

Ford 2015 Mustang I4 Service Manual

Ford 2015 Mustang I4 Service Manual servicemanualwarehouse.com

Ford 2015 Mustang I4 Service Manual

2015 Ford Mustang Fuse Box Diagram – Blown Fuse

2015 Ford Mustang Fuse Box Diagram – Blown Fuse blownfuse.co

2015 Ford Mustang Fuse Box Diagram – Blown Fuse

2015 Ford Mustang Wiring Diagram - Green Lab

2015 Ford Mustang Wiring Diagram - Green Lab green-lab32.blogspot.com

2015 Ford Mustang Wiring Diagram - Green Lab

2015 Ford Mustang Electrical Wiring Diagrams Manual Original - Factory

2015 Ford Mustang Electrical Wiring Diagrams Manual Original - Factory www.factoryrepairmanuals.com

2015 Ford Mustang Electrical Wiring Diagrams Manual Original - Factory ...

Ford Mustang 2015 2.3 Litre Engine Wiring Diagrams – ManualPost

Ford Mustang 2015 2.3 Litre Engine Wiring Diagrams – ManualPost manualpost.com

Ford Mustang 2015 2.3 Litre Engine Wiring Diagrams – ManualPost ...

2015 Ford Mustang Wiring Diagram - Fab Base

2015 Ford Mustang Wiring Diagram - Fab Base fab-base.blogspot.com

2015 Ford Mustang Wiring Diagram - Fab Base

2016 Ford Mustang Wiring Diagram Manual – DIY Repair Manuals

2016 Ford Mustang Wiring Diagram Manual – DIY Repair Manuals diyrepairmanuals.com

2016 Ford Mustang Wiring Diagram Manual – DIY Repair Manuals

2015 Ford Mustang: Unraveling The Fuse Box Mystery

2015 Ford Mustang: Unraveling the Fuse Box Mystery techschematic.com

2015 Ford Mustang: Unraveling the Fuse Box Mystery

Ford Mustang 2015 5.0 Litre Engine Wiring Diagrams – ManualPost

Ford Mustang 2015 5.0 Litre Engine Wiring Diagrams – ManualPost manualpost.com

Ford Mustang 2015 5.0 Litre Engine Wiring Diagrams – ManualPost ...

Buy 2015 ford mustang wiring diagram shop manual / original service .... 2015 ford mustang wiring diagram. 2015 ford mustang wiring diagram