Web Analytics Made Easy - Statcounter

Came G4000 Wiring Diagram: Simplify Your Gate Automation Wiring diagram for electric gates » wiring flow line

If you are searching about Wiring Diagram For Came Automatic Gates - Wiring Diagram you've came to the right place. We have 25 Images about Wiring Diagram For Came Automatic Gates - Wiring Diagram like Automation Gate Openers Wiring Diagram - Circuit Diagram, CAME G4000 Parking Gate Barrier Supplier in Dubai, Abu Dhabi and also Briggs And Stratton Electrical Wiring Diagram - Wiring Draw And Schematic. Here it is:

Wiring Diagram For Came Automatic Gates - Wiring Diagram

Wiring Diagram For Came Automatic Gates - Wiring Diagram wiringdiagram.2bitboer.com

Wiring Diagram For Came Automatic Gates - Wiring Diagram

CAME G4000 GATE BARRIER - Automatic Gates LLC

CAME G4000 GATE BARRIER - Automatic Gates LLC automaticgatesllc.com

CAME G4000 GATE BARRIER - Automatic Gates LLC

CAME G4000 Parking Gate Barrier - Automatic Gates LLC

CAME G4000 Parking Gate Barrier - Automatic Gates LLC automaticgatesllc.com

CAME G4000 Parking Gate Barrier - Automatic Gates LLC

The City Of Crochet: [28+] Came Electric Gates Wiring Diagram, 16+ Came

The City of Crochet: [28+] Came Electric Gates Wiring Diagram, 16+ Came cityofcrochet.blogspot.com

The City of Crochet: [28+] Came Electric Gates Wiring Diagram, 16+ Came ...

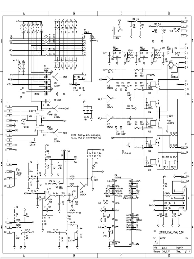
CAME - ZL37F Barrera G4000 | PDF

CAME - ZL37F Barrera g4000 | PDF www.scribd.com

CAME - ZL37F Barrera g4000 | PDF

Wiring Diagram For Came Automatic Gates - Wiring Diagram

Wiring Diagram For Came Automatic Gates - Wiring Diagram wiringdiagram.2bitboer.com

Wiring Diagram For Came Automatic Gates - Wiring Diagram

Aleko Ac1300 Electric Gate Wiring

Aleko Ac1300 Electric Gate Wiring manuallibrivera123.s3-website-us-east-1.amazonaws.com

Aleko Ac1300 Electric Gate Wiring

Came Barrier Wiring Diagram - Organicness

Came Barrier Wiring Diagram - Organicness organicness73.blogspot.com

Came Barrier Wiring Diagram - Organicness

[DIAGRAM] Auto Gate Wiring Diagram Malaysia - WIRINGSCHEMA.COM

[DIAGRAM] Auto Gate Wiring Diagram Malaysia - WIRINGSCHEMA.COM wiringschema.com

[DIAGRAM] Auto Gate Wiring Diagram Malaysia - WIRINGSCHEMA.COM

Logic Gate Circuit To Boolean Expression Converter

Logic Gate Circuit To Boolean Expression Converter www.wiringdraw.com

Logic Gate Circuit To Boolean Expression Converter

The City Of Crochet: [28+] Came Electric Gates Wiring Diagram, 16+ Came

The City of Crochet: [28+] Came Electric Gates Wiring Diagram, 16+ Came cityofcrochet.blogspot.com

The City of Crochet: [28+] Came Electric Gates Wiring Diagram, 16+ Came ...

CAME G4000 Parking Gate Barrier In Dubai, UAE

CAME G4000 Parking Gate Barrier in Dubai, UAE gate-motor.com

CAME G4000 Parking Gate Barrier in Dubai, UAE

Simplify The Block Diagram Shown In The Figure Obtain - Vrogue.co

Simplify The Block Diagram Shown In The Figure Obtain - vrogue.co www.vrogue.co

Simplify The Block Diagram Shown In The Figure Obtain - vrogue.co

How To Install And Wire A Gate Opener: Step-by-Step Wiring Diagram Guide

How to Install and Wire a Gate Opener: Step-by-Step Wiring Diagram Guide elecdiags.com

How to Install and Wire a Gate Opener: Step-by-Step Wiring Diagram Guide

Came Barrier Wiring Diagram - Organicness

Came Barrier Wiring Diagram - Organicness organicness73.blogspot.com

Came Barrier Wiring Diagram - Organicness

CAME G4000 Gearmotor In Dubai UAE

CAME G4000 Gearmotor in Dubai UAE gate-motor.com

CAME G4000 Gearmotor in Dubai UAE

Automation Gate Openers Wiring Diagram - Circuit Diagram

Automation Gate Openers Wiring Diagram - Circuit Diagram www.circuitdiagram.co

Automation Gate Openers Wiring Diagram - Circuit Diagram

Automatic Barrier Gate Operator CAME G4000 (gray) 13 Feet Arm – CAME

Automatic Barrier Gate Operator CAME G4000 (gray) 13 feet arm – CAME cameamericas.com

Automatic Barrier Gate Operator CAME G4000 (gray) 13 feet arm – CAME ...

Automatic Barrier Gate Operator CAME G4000 (gray) 13 Feet Arm – CAME

Automatic Barrier Gate Operator CAME G4000 (gray) 13 feet arm – CAME cameamericas.com

Automatic Barrier Gate Operator CAME G4000 (gray) 13 feet arm – CAME ...

CAME G4000 Gearmotor – Gates And Accessories

CAME G4000 Gearmotor – Gates and Accessories gatesandaccessories.co.uk

CAME G4000 Gearmotor – Gates and Accessories

Briggs And Stratton Electrical Wiring Diagram - Wiring Draw And Schematic

Briggs And Stratton Electrical Wiring Diagram - Wiring Draw And Schematic www.wiringdraw.com

Briggs And Stratton Electrical Wiring Diagram - Wiring Draw And Schematic

CAME G4000 Parking Gate Barrier Supplier In Dubai, Abu Dhabi

CAME G4000 Parking Gate Barrier Supplier in Dubai, Abu Dhabi gateautomationuae.com

CAME G4000 Parking Gate Barrier Supplier in Dubai, Abu Dhabi ...

Wiring Diagram For Electric Gates » Wiring Flow Line

Wiring Diagram For Electric Gates » Wiring Flow Line www.wiringflowline.com

Wiring Diagram For Electric Gates » Wiring Flow Line

Premium Photo | Home Smart Automation Harnessing The Power Of

Premium Photo | Home smart automation harnessing the power of www.freepik.com

Premium Photo | Home smart automation harnessing the power of ...

CAME G4000 Gate Barrier Price In Dubai UAE

CAME G4000 Gate Barrier Price in Dubai UAE securitystore.ae

CAME G4000 Gate Barrier Price in Dubai UAE

How to install and wire a gate opener: step-by-step wiring diagram guide. Logic gate circuit to boolean expression converter. came g4000 gate barrier