Web Analytics Made Easy - Statcounter

GM Instrument Cluster Connector Wiring Explained (Diagram Included!) wiring diagram for instrument cluster: no power to instrument ...

If you are looking for Diysity: Gm Instrument Cluster Wiring Diagram you've came to the right place. We have 25 Images about Diysity: Gm Instrument Cluster Wiring Diagram like Awasome Gm Instrument Cluster Connector Wiring Explained (Diagram, Instrument Cluster | PDF and also Pinout Gm Instrument Cluster Wiring Diagram. Here you go:

Diysity: Gm Instrument Cluster Wiring Diagram

Diysity: Gm Instrument Cluster Wiring Diagram diysity.blogspot.com

Diysity: Gm Instrument Cluster Wiring Diagram

Wiring Diagram For Instrument Cluster: No Power To Instrument

Wiring Diagram for Instrument Cluster: No Power to Instrument www.2carpros.com

Wiring Diagram for Instrument Cluster: No Power to Instrument ...

Pinout Gm Instrument Cluster Wiring Diagram At Bernice Navarro Blog

Pinout Gm Instrument Cluster Wiring Diagram at Bernice Navarro blog storage.googleapis.com

Pinout Gm Instrument Cluster Wiring Diagram at Bernice Navarro blog

Pinout Gm Instrument Cluster Wiring Diagram

Pinout Gm Instrument Cluster Wiring Diagram dashfault.net

Pinout Gm Instrument Cluster Wiring Diagram

Instrument Cluster Wiring And Diagram | Club GTI

Instrument Cluster Wiring and diagram | Club GTI www.clubgti.com

Instrument Cluster Wiring and diagram | Club GTI

Instrument Cluster Wiring Diagram - DiagramInfo

Instrument Cluster Wiring Diagram - DiagramInfo diagraminfo.com

Instrument Cluster Wiring Diagram - DiagramInfo

Wiring Diagram For Instrument Cluster: No Power To Instrument

Wiring Diagram for Instrument Cluster: No Power to Instrument www.2carpros.com

Wiring Diagram for Instrument Cluster: No Power to Instrument ...

Gm Wiring Diagram Symbols

Gm Wiring Diagram Symbols schemesnet.com

Gm Wiring Diagram Symbols

Pinout Gm Instrument Cluster Wiring Diagram – Moo Wiring

Pinout Gm Instrument Cluster Wiring Diagram – Moo Wiring moowiring.com

Pinout Gm Instrument Cluster Wiring Diagram – Moo Wiring

Pinout Gm Instrument Cluster Wiring Diagram At Bernice Navarro Blog

Pinout Gm Instrument Cluster Wiring Diagram at Bernice Navarro blog storage.googleapis.com

Pinout Gm Instrument Cluster Wiring Diagram at Bernice Navarro blog

Diysity: Gm Instrument Cluster Wiring Diagram

Diysity: Gm Instrument Cluster Wiring Diagram diysity.blogspot.com

Diysity: Gm Instrument Cluster Wiring Diagram

Pinout Gm Instrument Cluster Wiring Diagram

Pinout Gm Instrument Cluster Wiring Diagram wiringdbjewelling.z19.web.core.windows.net

Pinout Gm Instrument Cluster Wiring Diagram

Instrument Cluster Wiring Diagram Needed?: All Of The Wires Are

Instrument Cluster Wiring Diagram Needed?: All of the Wires Are www.2carpros.com

Instrument Cluster Wiring Diagram Needed?: All of the Wires Are ...

Pinout Gm Instrument Cluster Wiring Diagram

Pinout Gm Instrument Cluster Wiring Diagram diagramhevelnc.z21.web.core.windows.net

Pinout Gm Instrument Cluster Wiring Diagram

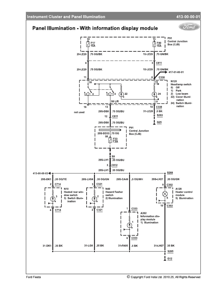
Instrument Cluster-01-01 | PDF

Instrument Cluster-01-01 | PDF www.scribd.com

Instrument Cluster-01-01 | PDF

Wiring Diagram For Instrument Cluster: No Power To Instrument

Wiring Diagram for Instrument Cluster: No Power to Instrument www.2carpros.com

Wiring Diagram for Instrument Cluster: No Power to Instrument ...

Gm Instrument Cluster Wiring Diagram - WalidMahzie

gm instrument cluster wiring diagram - WalidMahzie walidmahzie.blogspot.com

gm instrument cluster wiring diagram - WalidMahzie

Pinout Gm Instrument Cluster Wiring Diagram At Bernice Navarro Blog

Pinout Gm Instrument Cluster Wiring Diagram at Bernice Navarro blog storage.googleapis.com

Pinout Gm Instrument Cluster Wiring Diagram at Bernice Navarro blog

Pinout Gm Instrument Cluster Wiring Diagram – Moo Wiring

Pinout Gm Instrument Cluster Wiring Diagram – Moo Wiring moowiring.com

Pinout Gm Instrument Cluster Wiring Diagram – Moo Wiring

Instrument Cluster Wiring Diagram

Instrument Cluster Wiring Diagram fixwiringoracling.z22.web.core.windows.net

Instrument Cluster Wiring Diagram

[DIAGRAM] Instrument Cluster Wiring Diagram - MYDIAGRAM.ONLINE

[DIAGRAM] Instrument Cluster Wiring Diagram - MYDIAGRAM.ONLINE mydiagram.online

[DIAGRAM] Instrument Cluster Wiring Diagram - MYDIAGRAM.ONLINE

Awasome Gm Instrument Cluster Connector Wiring Explained (Diagram

Awasome Gm Instrument Cluster Connector Wiring Explained (Diagram wiring-schemas.pages.dev

Awasome Gm Instrument Cluster Connector Wiring Explained (Diagram ...

Pinout Gm Instrument Cluster Wiring Diagram – Moo Wiring

Pinout Gm Instrument Cluster Wiring Diagram – Moo Wiring moowiring.com

Pinout Gm Instrument Cluster Wiring Diagram – Moo Wiring

Instrument Cluster Wiring Diagram Needed?: All Of The Wires Are

Instrument Cluster Wiring Diagram Needed?: All of the Wires Are www.2carpros.com

Instrument Cluster Wiring Diagram Needed?: All of the Wires Are ...

Instrument Cluster | PDF

Instrument Cluster | PDF www.scribd.com

Instrument Cluster | PDF

Gm instrument cluster wiring diagram. instrument cluster wiring diagram needed?: all of the wires are .... Gm wiring diagram symbols