Web Analytics Made Easy - Statcounter

Tutorial Membuat Power Supply 12V dan 5V dengan Eagle! Cara membuat power supply 12v ic 7812

If you are searching about HOBI OPREK ELEKTRONIKA: Cara Membuat adaptor / power supply 12 volt you've visit to the right place. We have 25 Images about HOBI OPREK ELEKTRONIKA: Cara Membuat adaptor / power supply 12 volt like Membuat Rangkaian Power Supply Dengan Proteus Youtube - vrogue.co, The Justice: membuat rangkaian power supply dengan output 5v and also Cara Membuat Power Supply 12 Volt CT Dengan Mudah Menggunakan IC. Here it is:

HOBI OPREK ELEKTRONIKA: Cara Membuat Adaptor / Power Supply 12 Volt

HOBI OPREK ELEKTRONIKA: Cara Membuat adaptor / power supply 12 volt thohirfariz24.blogspot.com

HOBI OPREK ELEKTRONIKA: Cara Membuat adaptor / power supply 12 volt ...

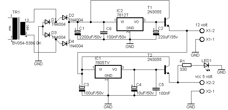
Cara Membuat Power Supply Hp Sederhana – Kabarmedia.github.io

Cara Membuat Power Supply Hp Sederhana – kabarmedia.github.io kabarmedia.github.io

Cara Membuat Power Supply Hp Sederhana – kabarmedia.github.io

The Justice: Membuat Rangkaian Power Supply Dengan Output 5v

The Justice: membuat rangkaian power supply dengan output 5v sodiqengineering.blogspot.com

The Justice: membuat rangkaian power supply dengan output 5v

How To Construct A Simple 5V DC Power Supply: 5 Steps

How to Construct a Simple 5V DC Power Supply: 5 Steps www.wikihow.com

How to Construct a Simple 5V DC Power Supply: 5 Steps

Membuat Rangkaian Power Supply Dengan Proteus Youtube - Vrogue.co

Membuat Rangkaian Power Supply Dengan Proteus Youtube - vrogue.co www.vrogue.co

Membuat Rangkaian Power Supply Dengan Proteus Youtube - vrogue.co

Membuat Rangkaian Power Supply Dan Prinsip Kerjanya

Membuat Rangkaian Power Supply dan Prinsip Kerjanya www.empatpilar.com

Membuat Rangkaian Power Supply dan Prinsip Kerjanya

.: Tutorial Membuat Power Supply 12v Dan 5v Software Cadsoft Eagle 6.3.0

.: Tutorial Membuat Power Supply 12v dan 5v Software Cadsoft Eagle 6.3.0 kursuselektronikaku.blogspot.com

.: Tutorial Membuat Power Supply 12v dan 5v Software Cadsoft Eagle 6.3.0

BAHAR ELECTRONIC: CARA MEMBUAT POWER SUPPLY TUNGGAL DARI TRAFO CT

BAHAR ELECTRONIC: CARA MEMBUAT POWER SUPPLY TUNGGAL DARI TRAFO CT www.baharelectronic.com

BAHAR ELECTRONIC: CARA MEMBUAT POWER SUPPLY TUNGGAL DARI TRAFO CT

Gambar 14. A. Rangkaian Power Supply 5V Dan 12V, B. Rangkaian Power

Gambar 14. a. Rangkaian Power Supply 5V dan 12V, b. Rangkaian Power www.researchgate.net

Gambar 14. a. Rangkaian Power Supply 5V dan 12V, b. Rangkaian Power ...

Belajar Eagle - Skema Rangkaian Power Supply Adjustable 0-24 V Power

Belajar Eagle - Skema Rangkaian Power Supply Adjustable 0-24 V Power www.pinterest.es

Belajar Eagle - Skema Rangkaian Power Supply Adjustable 0-24 V Power ...

Cara Membuat Power Supply Sederhana - Review Bunda

Cara Membuat Power Supply Sederhana - Review Bunda reviewbunda.com

Cara Membuat Power Supply Sederhana - Review Bunda

Cara Membuat Power Supply 12 Volt CT Dengan Mudah Menggunakan IC

Cara Membuat Power Supply 12 Volt CT Dengan Mudah Menggunakan IC www.aflahsentosa.com

Cara Membuat Power Supply 12 Volt CT Dengan Mudah Menggunakan IC ...

Black Sabath: Cara Membuat Power Supply Dan Fungsi Aplikasinya Pada

Black Sabath: Cara membuat Power Supply dan Fungsi aplikasinya pada erihusyaeri.blogspot.com

Black Sabath: Cara membuat Power Supply dan Fungsi aplikasinya pada ...

Cara Membuat Rangkaian Power Supply 12V Lengkap

Cara Membuat Rangkaian Power Supply 12V Lengkap www.rekomend.id

Cara Membuat Rangkaian Power Supply 12V Lengkap

Cara Membuat Power Supply 12V IC 7812

Cara Membuat Power Supply 12V IC 7812 www.baharelectronic.com

Cara Membuat Power Supply 12V IC 7812

Membuat Power Supply 12V Sederhana Menggunakan 7812 - Anam

Membuat Power Supply 12V Sederhana Menggunakan 7812 - anam rinjanimuda.blogspot.com

Membuat Power Supply 12V Sederhana Menggunakan 7812 - anam

Pembuatan Rangkaian Adaptor Dengan Keluaran 5V Dan 12V

Pembuatan Rangkaian Adaptor dengan Keluaran 5V dan 12V www.slideshare.net

Pembuatan Rangkaian Adaptor dengan Keluaran 5V dan 12V

.: MEMBUAT POWER SUPPLY UNTUK MIKROKONTROLLER DAN PERANGKAT ELEKTRONIK

.: MEMBUAT POWER SUPPLY UNTUK MIKROKONTROLLER DAN PERANGKAT ELEKTRONIK kursuselektronikaku.blogspot.com

.: MEMBUAT POWER SUPPLY UNTUK MIKROKONTROLLER DAN PERANGKAT ELEKTRONIK

Cara Membuat Power Supply 12 Volt Menggunakan IC Stabilizer - Aflah Sentosa

Cara Membuat Power Supply 12 Volt Menggunakan IC Stabilizer - Aflah Sentosa www.aflahsentosa.com

Cara Membuat Power Supply 12 Volt Menggunakan IC Stabilizer - Aflah Sentosa

Cara Membuat Adaptor 12 Volt Dengan 3 Bahan Youtube - Vrogue

Cara Membuat Adaptor 12 Volt Dengan 3 Bahan Youtube - Vrogue www.vrogue.co

Cara Membuat Adaptor 12 Volt Dengan 3 Bahan Youtube - Vrogue

Rangkaian Dan Cara Membuat Power Supply Untuk Amplifier Lapangan 1200

Rangkaian Dan Cara Membuat Power Supply Untuk Amplifier Lapangan 1200 riset.guru

Rangkaian Dan Cara Membuat Power Supply Untuk Amplifier Lapangan 1200 ...

Cara Membuat Rangkaian Power Supply Yang Efesien - Bengkeltv.id

Cara Membuat Rangkaian Power Supply yang Efesien - Bengkeltv.id www.bengkeltv.id

Cara Membuat Rangkaian Power Supply yang Efesien - Bengkeltv.id

Read N Write: Membuat Power Suplay 5 Volt

Read n Write: Membuat Power Suplay 5 Volt riyansblog.blogspot.com

Read n Write: Membuat Power Suplay 5 Volt

.: Membuat Power Supply / Adaptor Sendiri 12v / -12v / 5v / -5v Dan GND

.: Membuat Power Supply / Adaptor Sendiri 12v / -12v / 5v / -5v dan GND kursuselektronikaku.blogspot.com

.: Membuat Power Supply / Adaptor Sendiri 12v / -12v / 5v / -5v dan GND

Cara Membuat Power Supply 12 V

Cara membuat power supply 12 v www.slideshare.net

Cara membuat power supply 12 v

Bahar electronic: cara membuat power supply tunggal dari trafo ct. Belajar eagle. Cara membuat power supply 12 v