Web Analytics Made Easy - Statcounter

Upgrade Your Audi 100 Electrical System 1990 Audi 100 Wiring Explained All wiring diagrams for audi 100 1990 model – wiring diagrams for cars

If you are searching about Car wiring diagrams Audi 100 C4 (1990-1994, petrol) [Electrical equipment] you've visit to the right place. We have 25 Pics about Car wiring diagrams Audi 100 C4 (1990-1994, petrol) [Electrical equipment] like AUDI 100 Wiring Diagrams - Car Electrical Wiring Diagram, Wiring diagram for AUDI «100» cars with «WH» engine 1983 (Audi 100 C3 and also Auto control system (Audi 100 C3, 1982-1990, diesel / Electrical. Here it is:

Car Wiring Diagrams Audi 100 C4 (1990-1994, Petrol) [Electrical Equipment]

Car wiring diagrams Audi 100 C4 (1990-1994, petrol) [Electrical equipment] www.audimanual.ru

Car wiring diagrams Audi 100 C4 (1990-1994, petrol) [Electrical equipment]

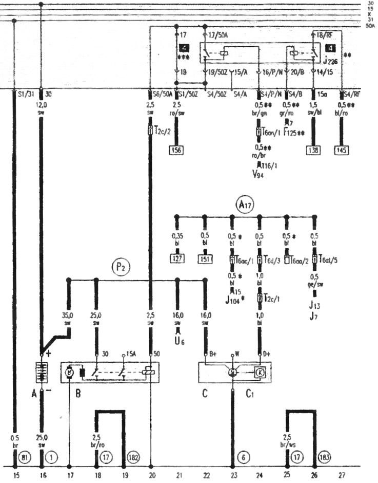
STARTING/CHARGING – Audi 100 1990 – SYSTEM WIRING DIAGRAMS – Wiring

STARTING/CHARGING – Audi 100 1990 – SYSTEM WIRING DIAGRAMS – Wiring portal-diagnostov.com

STARTING/CHARGING – Audi 100 1990 – SYSTEM WIRING DIAGRAMS – Wiring ...

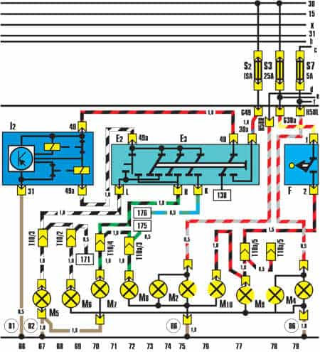
All Wiring Diagrams For Audi 100 1990 Model – Wiring Diagrams For Cars

All Wiring Diagrams for Audi 100 1990 model – Wiring diagrams for cars portal-diagnostov.com

All Wiring Diagrams for Audi 100 1990 model – Wiring diagrams for cars

Features Of The Electrical Circuit Of Cars AUDI «100» With The Engine

Features of the electrical circuit of cars AUDI «100» with the engine www.audimanual.ru

Features of the electrical circuit of cars AUDI «100» with the engine ...

Audi 100 C4 Wiring Diagram Pdf - Wiring Diagram

Audi 100 C4 Wiring Diagram Pdf - Wiring Diagram wiringdiagram.2bitboer.com

Audi 100 C4 Wiring Diagram Pdf - Wiring Diagram

Auto Control System (Audi 100 C3, 1982-1990, Diesel / Electrical

Auto control system (Audi 100 C3, 1982-1990, diesel / Electrical www.audimanual.ru

Auto control system (Audi 100 C3, 1982-1990, diesel / Electrical ...

Electrical Wiring Diagrams — Description (Audi 100 C3, 1982-1990

Electrical Wiring Diagrams — Description (Audi 100 C3, 1982-1990 www.audimanual.ru

Electrical Wiring Diagrams — Description (Audi 100 C3, 1982-1990 ...

Electrical Equipment Diagram Of AUDI «100» Cars With Carburetor Engines

Electrical equipment diagram of AUDI «100» cars with carburetor engines www.audimanual.ru

Electrical equipment diagram of AUDI «100» cars with carburetor engines ...

All Wiring Diagrams For Audi 100 1990 Model – Wiring Diagrams For Cars

All Wiring Diagrams for Audi 100 1990 model – Wiring diagrams for cars portal-diagnostov.com

All Wiring Diagrams for Audi 100 1990 model – Wiring diagrams for cars

AUDI 100 Wiring Diagrams - Car Electrical Wiring Diagram

AUDI 100 Wiring Diagrams - Car Electrical Wiring Diagram car-diagrams.jimdofree.com

AUDI 100 Wiring Diagrams - Car Electrical Wiring Diagram

Combined High-low Beam Headlight Switch (Audi 100 C3, 1982-1990, Diesel

Combined high-low beam headlight switch (Audi 100 C3, 1982-1990, diesel www.audimanual.ru

Combined high-low beam headlight switch (Audi 100 C3, 1982-1990, diesel ...

Audi 100/Avant (1990 - 1991) - Wiring Harness: Front Right. > VAG ETKA

Audi 100/Avant (1990 - 1991) - wiring harness: front right. > VAG ETKA nemigaparts.com

Audi 100/Avant (1990 - 1991) - wiring harness: front right. > VAG ETKA ...

AUDI 100 Wiring Diagrams - Car Electrical Wiring Diagram

AUDI 100 Wiring Diagrams - Car Electrical Wiring Diagram car-diagrams.jimdofree.com

AUDI 100 Wiring Diagrams - Car Electrical Wiring Diagram

Wiring Diagram For AUDI «100» Cars With «WH» Engine 1983 (Audi 100 C3

Wiring diagram for AUDI «100» cars with «WH» engine 1983 (Audi 100 C3 www.audimanual.ru

Wiring diagram for AUDI «100» cars with «WH» engine 1983 (Audi 100 C3 ...

AUDI 100 Wiring Diagrams - Car Electrical Wiring Diagram

AUDI 100 Wiring Diagrams - Car Electrical Wiring Diagram car-diagrams.jimdofree.com

AUDI 100 Wiring Diagrams - Car Electrical Wiring Diagram

All Wiring Diagrams For Audi 100 1990 Model – Wiring Diagrams For Cars

All Wiring Diagrams for Audi 100 1990 model – Wiring diagrams for cars portal-diagnostov.com

All Wiring Diagrams for Audi 100 1990 model – Wiring diagrams for cars

Audi 100/200 Factory Wiring Diagrams

Audi 100/200 Factory Wiring Diagrams www.sealtd.net

Audi 100/200 Factory Wiring Diagrams

Audi 100/200 Factory Wiring Diagrams

Audi 100/200 Factory Wiring Diagrams www.sizov.org

Audi 100/200 Factory Wiring Diagrams

Electrically Adjustable And Heated Exterior Mirrors (Audi 100 C4, 1990

Electrically adjustable and heated exterior mirrors (Audi 100 C4, 1990 www.audimanual.ru

Electrically adjustable and heated exterior mirrors (Audi 100 C4, 1990 ...

Battery, Starter And Generator (Audi 100 C3, 1982-1990, Diesel

Battery, starter and generator (Audi 100 C3, 1982-1990, diesel www.audimanual.ru

Battery, starter and generator (Audi 100 C3, 1982-1990, diesel ...

[DIAGRAM] 1990 Audi 90 Wiring Diagram - MYDIAGRAM.ONLINE

[DIAGRAM] 1990 Audi 90 Wiring Diagram - MYDIAGRAM.ONLINE mydiagram.online

[DIAGRAM] 1990 Audi 90 Wiring Diagram - MYDIAGRAM.ONLINE

All Wiring Diagrams For Audi 100 Quattro 1990 Model – Wiring Diagrams

All Wiring Diagrams for Audi 100 Quattro 1990 model – Wiring diagrams portal-diagnostov.com

All Wiring Diagrams for Audi 100 Quattro 1990 model – Wiring diagrams ...

All Wiring Diagrams For Audi 100 Quattro 1990 Model – Wiring Diagrams

All Wiring Diagrams for Audi 100 Quattro 1990 model – Wiring diagrams portal-diagnostov.com

All Wiring Diagrams for Audi 100 Quattro 1990 model – Wiring diagrams ...

Wiring Diagram Of AUDI «100» Cars With «WC» Engine In 1983 (Audi 100 C3

Wiring diagram of AUDI «100» cars with «WC» engine in 1983 (Audi 100 C3 www.audimanual.ru

Wiring diagram of AUDI «100» cars with «WC» engine in 1983 (Audi 100 C3 ...

All Wiring Diagrams For Audi 100 1990 Model – Wiring Diagrams For Cars

All Wiring Diagrams for Audi 100 1990 model – Wiring diagrams for cars portal-diagnostov.com

All Wiring Diagrams for Audi 100 1990 model – Wiring diagrams for cars

All wiring diagrams for audi 100 1990 model – wiring diagrams for cars. Battery, starter and generator (audi 100 c3, 1982-1990, diesel .... Audi 100 wiring diagrams